版本:pdf高清电子版大小:1.22M
类别: 电子图书 系统:WinAll, WinXP
立即下载代替了96R425-1~3图集

03r402图集是由中国建筑标准研究所主编的除污器图集,本图集共34页高清无水印,适用于排除在安装和运行时掉进管道中的污物,以保护设备安全运行及防止管道堵塞,需要免费下载03r402图集的朋友就来绿色资源网吧。



说明2
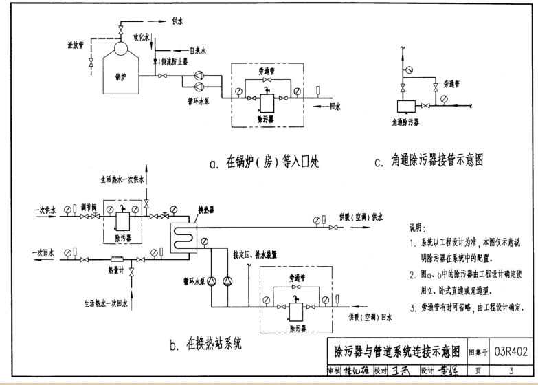
除污器与管道系统连接示意图3
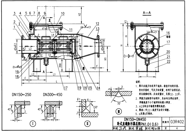
DN150~DN450卧式直通除污器总图PN1.0(0.6)4
DN150~DN450卧式直通除污器PN1.0(0.6)明细表、尺寸表5
零、部件图6
DN50~DN300立式直通除污器总图PN1.0(0.6)12
DN50~DN300立式直通除污器PN1.0(0.6)明细表、尺寸表13
零、部件图14
DN150~DN450卧式角通除污器总图PN1.0(0.6)21
DN150~DN450卧式角通除污器PN1.0(0.6)明细表、尺寸表22
零、部件图23
DN150~DN450卧式直通(角通)除污器基础图28
相关技术资料29
自动、手动排污过滤器(ZPG)29
ZPG-L型过滤器30
ZPG-I型过滤器31
立、卧式直通(角通)除污器选用图32
立、卧式直通(角通)除污器选用表33
查看全部